Welcome: Tianjin JLHY Nails Products Co.,Ltd
Language: Chinese ∷  English
Your location: Home > Enterprise News

Enterprise News

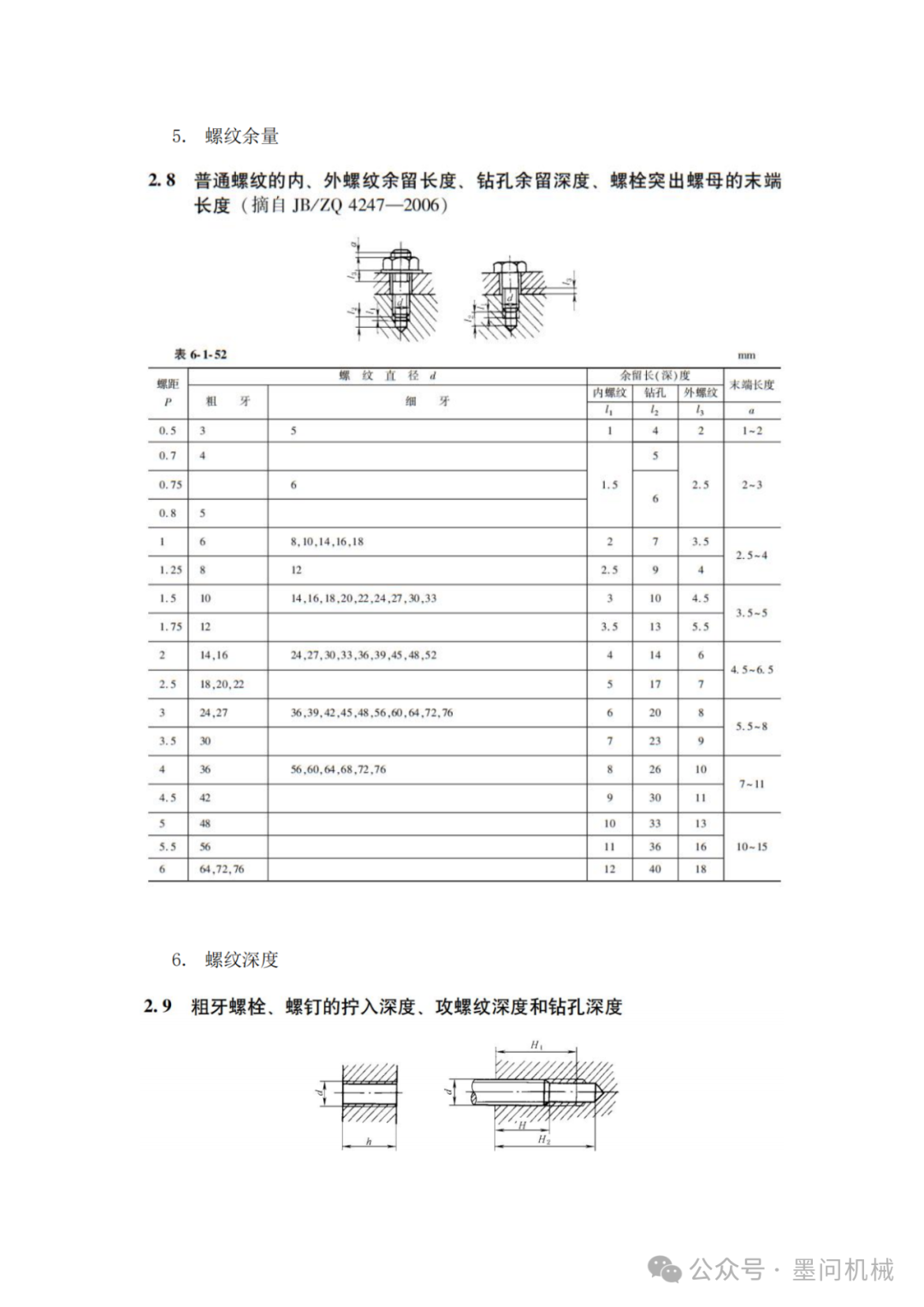
JLHY-Calculation and selection of bolts, screws, nuts, washers, and retaining rings in mechanical design!

图片
图片
图片
图片
图片


No previous No next

RELATED NEWS

CATEGORIES

CONTACT US

Contact: Du Shasha

Phone: 13663320370

Tel: +86-022-68353000

Email: shasha@jlhy.cn

Add: Dahaozhuang Industrial Park, Tangguantun Town, Jinghai District, Tianjin City